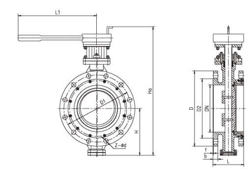
• 金屬硬密封法蘭式蝶閥
金屬硬密封法蘭式蝶閥
金屬硬密封法蘭式蝶閥
特點:
固定式球面吻合密封結構,蝶闆受壓越大,密封性能越佳。
原理(lǐ):
021-66032528

優勢與特點
1、固定式球面吻合密封結構,蝶闆受壓越大,密封性能越佳。
2、三偏心結構,啓閉輕松自(zì)如(rú),無摩擦,零洩漏。
3、軸向定位裝置,解決軸向蝶闆竄動引超的(de)_上下密封面壓傷,磨損洩漏的(de)難題,并實現了閥門傳動執行器可(kě)朝任意方向安裝。
4、比普通閘閥等産品體積小70%,重量輕65%,價格低(dī)。

1.jpgimage.png